| 品牌 | 上海涌诺 | 型号 | ISWH | 材质 | 不锈钢 |
| 驱动方式 | 电动 | 性能 | 不阻塞 | 原理 | 离心泵 |
| 泵轴位置 | 卧式 | 叶轮数目 | 单级 | 扬程 | 50(m) |
| 吸程 | 30(m) | 转速 | 2900 | 电动功率 | 5.2(w) |
| 工作温度 | 150(℃) | 进出口径 | 50(mm) | 流量 | 35(m3/h) |
| 电压 | 380V |

有好的产品、才有好的市场
精心、细心“涌诺”品质让您放心
涌诺品质、承诺一言九鼎







一、卧式管道离心泵主要用途:
1、ISW卧式清水泵,供输送清水及物理化学性质类似于清水的其他液体之用,适用于工业和城市给排水,高层建筑增压送水,园林喷灌,消防增压,远距离输送,暖通制冷循环、浴室等冷暖水循环增压及设备配套,使用温度T≤80℃。
2、ISWR卧式热水泵广泛适用于:冶金、化工、纺织、造纸、以及宾馆饭店等锅炉热水增压循环输送及城市采暖系统,ISWR型使用温度T≤120℃。
3、lSWH卧式化工泵,供输送不含固体颗料,具有腐蚀性,粘度类似于水的液体,适用于石油、化工、冶金、电力、造纸、食品制药和合成纤维等部门,使用温度为-20~C~+120℃。
4、lSWB卧式管道油泵,供输送汽油、煤油、柴油等用油类产品或易燃、易爆液体,被输送介质温度为一20~C~+120℃。
二、卧式管道离心泵工作条件:
1、吸入压力≤1.6MPa,或泵系统最高工作压力≤1.6MPa,即泵吸入口压力+泵扬程≤1.6MPa、泵静压试验压力为2.5MPa,订货时请注明系统工作压力。泵系统工作压力大于1.6MPa时应在订货时另行提出,以便在制造时泵的过流部分和联接部分采用铸钢材料。
2、环境温度<40℃,相对湿度<95%。
3、所输送介质中固体颗粒体积含量不超过单位体积的0.1%,粒度<0.2mm。注:如使用介质为带有细小颗粒,请在订货时注明,以便厂家采用耐磨式机械密封。
三、卧式管道离心泵产品特点:运行平稳:泵轴的绝对同心度及叶轮优异的动静平衡,保证平稳运行,绝无振动。滴水不漏:不同材质的硬质合金密封,保证了不同介质输送均无泄漏。噪音低:两个低噪音轴承支撑下的水泵,运转平稳,除电机微弱声响,基本无噪音。故障率低:结构简单合理,关键部分采用国际一流品质;配套,整机无故障工作时间大大提高。维修方便:更换密封、轴承,简易方便。占地更省:出口可向左、向右、向上三个方向,便于管道布置安装,节省空间。
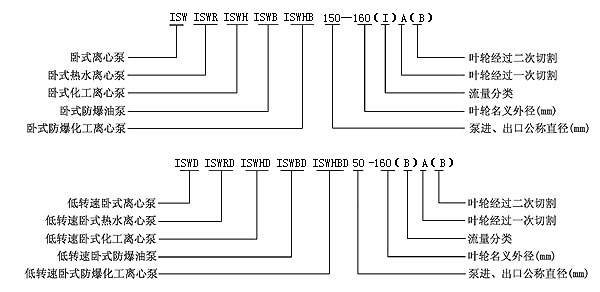
四、卧式管道离心泵型号意义:

六、卧式管道离心泵性能参数表
型号流量扬程
(m)效率
(%)转速
(r/min)电机功率
(kw)(m3/h)(L/s)
| 15-80 | 1.1 1.5 2.0 | 0.30 0.42 0.55 | 8.5 8.0 7.0 | 26 34 34 | 2800 | 0.18 |
| 20-110 | 1.8 2.5 3.3 | 0.50 0.69 0.91 | 16.0 15.0 13.5 | 25 34 35 | 2800 | 0.37 |
| 20-125 | 1.8 2.5 3.3 | 0.50 0.69 0.91 | 21.0 20.0 18.6 | 28 35 34 | 2800 | 0.75 |
| 20-160 | 1.8 2.5 3.3 | 0.50 0.69 0.91 | 33 32 30 | 19 25 23 | 2900 | 1.5 |
| 25-110 | 2.8 4.0 5.2 | 0.78 1.11 1.44 | 16.0 15.0 13.5 | 34 42 41 | 2900 | 0.55 |
| 25-125 | 2.8 4.0 5.2 | 0.78 1.11 1.44 | 20.6 20.0 18.0 | 28 36 35 | 2900 | 0.75 |
| 25-125A | 2.5 3.6 4.6 | 0.69 1.00 1.28 | 17.0 16.0 14.4 | 29 35 31 | 2900 | 0.75 |
| 25-160 | 2.8 4.0 5.2 | 0.78 1.11 1.44 | 33 32 30 | 24 32 33 | 2900 | 1.5 |
| 25-160A | 2.6 3.7 4.9 | 0.12 1.03 1.36 | 29 28 26 | 27 31 29 | 2900 | 1.1 |
| 32-100 | 3.5 4.5 5.3 | 0.97 1.24 1.47 | 14.5 12.5 11 | 35 40 38 | 2900 | 0.55 |
| 30-125 | 3.5 5.0 6.5 | 0.97 1.39 1.80 | 22 20 18 | 40 44 42 | 2900 | 0.75 |
| 32-125A | 3.1 4.5 5.8 | 0.86 1.25 1.61 | 17.6 16.0 14.4 | 39 43 40 | 2900 | 0.55 |
| 32-160 | 4.4 6.3 8.3 | 1.22 1.75 2.32 | 33 32 30 | 40 44 42 | 2900 | 1.5 |
| 32-160A | 2.8 4.0 5.2 | 0.78 1.11 1.44 | 27 25 21 | 31 34 32 | 2900 | 1.1 |
| 32-200 | 3.1 4.5 5.8 | 0.86 1.25 1.61 | 50.5 50.0 48.0 | 28 32 30 | 2900 | 3 |
| 32-200A | 2.8 4.0 5.2 | 0.78 1.11 1.44 | 44.6 44 42.7 | 34 40 42 | 2900 | 2.2 |
| 32-160(1) | 4.4 6.3 8.3 | 1.22 1.75 2.32 | 33.2 32 30.2 | 34 40 42 | 2900 | 2.2 |
| 32-200(1) | 4.4 6.3 8.3 | 1.22 1.75 2.32 | 50.5 50.0 48.0 | 26 33 35 | 2900 | 4 |
| 40-100 | 4.4 6.3 8.3 | 1.22 1.75 2.31 | 13.2 12.5 11.3 | 48 54 53 | 2900 | 0.55 |
| 40-100A | 3.9 5.6 7.4 | 1.08 1.56 2.06 | 10.6 10.0 9.0 | 48 52 50 | 2900 | 0.37 |
| 40-125 | 4.4 6.3 8.3 | 1.22 1.75 2.31 | 21 20 18 | 41 46 43 | 2900 | 1.1 |
| 40-125A | 3.9 5.6 7.4 | 1.08 1.56 2.06 | 17.6 16 14.4 | 40 45 41 | 2900 | 0.75 |
| 40-160 | 4.4 6.3 8.3 | 1.22 1.75 2.31 | 33 32 30 | 35 40 40 | 2900 | 2.2 |
| 40-160A | 4.1 5.9 7.8 | 1.14 1.64 2.17 | 29 28 26.3 | 34 39 39 | 2900 | 1.5 |
| 40-160B | 3.8 5.5 7.2 | 1.06 1.53 2.0 | 25.5 24 22.5 | 34 38 37 | 2900 | 1.1 |
| 40-200 | 4.4 6.3 8.3 | 1.22 1.75 2.31 | 51 50 48 | 26 33 32 | 2900 | 4 |
| 40-200A | 4.1 5.9 7.8 | 1.14 1.64 2.17 | 45 44 42 | 26 31 32 | 2900 | 3 |
| 40-200B | 3.7 5.3 7.0 | 1.03 1.47 1.94 | 38 36 34.5 | 25 29 27 | 2900 | 2.2 |
| 40-250 | 4.4 6.3 8.3 | 1.22 1.75 2.31 | 82 80 74 | 24 28 28 | 2900 | 7.5 |
| 40-250A | 4.1 5.9 7.8 | 1.14 1.64 2.17 | 72 70 65 | 24 28 27 | 2900 | 5.5 |
| 40-250B | 3.8 5.5 7.0 | 1.06 1.53 1.94 | 61.5 60 56 | 23 27 26 | 2900 | 4 |
由于尺寸格式的限制、很多尺寸无法列出、如有需要请联系我公司



