| 品牌 | 振亚 | 型号 | CB-B6,CB-B10 | 材质 | 铸铁 |
| 原理 | 齿轮泵 | 用途 | 增压泵 | 性能 | 耐磨 |
| 驱动方式 | 电动 | 泵轴位置 | 卧式 | 叶轮数目 | 单级 |
| 流量 | 6,10(m3/h) | 转速 | 1450 | 排出压力 | 2.5(Mpa) |
| 效率 | 85(%) | 必需汽蚀余量 | 3(m) | 适用范围 | 机床设备,液压机械,稀油站,水泥冶金 |
| 规格 | CB-B6,CB-B10 |








| 型号 | 额定流量 h/min | 额定压力 Pa | 额定转速 min | 容积效率 ηv% | 总效率 ηbdt% | 压力脉动 Pa | 噪声值 分贝 | 电机功率 w | 重量 g |
| CB-B2.5 | 2.5 | 2.5 | 1450 | ≤70 | ≤63 | ±0.20 | 62~65 | 0.37 | 2.4 |
| CB-B4 | 4 | ≤80 | ≤72 | 2.8 | |||||
| CB-B6 | 6 | 0.55 | 3.2 | ||||||
| CB-B10 | 10 | ≤90 | ≤81 | 3.5 | |||||
| CB-B16 | 16 | 67~70 | 1.1 | 5.2 | |||||
| CB-B20 | 20 | 5.4 | |||||||
| CB-B25 | 25 | 1.5 | 5.5 | ||||||
| CB-B32 | 32 | ≤94 | ≤85 | 6.0 | |||||
| CB-B40 | 40 | 74~77 | 2.2 | 10.5 | |||||
| CB-B50 | 50 | 11.0 | |||||||
| CB-B63 | 63 | 3 | 11.8 | ||||||
| CB-B80 | 80 | 78~80 | 4 | 17.6 | |||||
| CB-B100 | 100 | ≤95 | ≤86 | 18.7 | |||||
| CB-B125 | 125 | 5.5 | 19.5 |
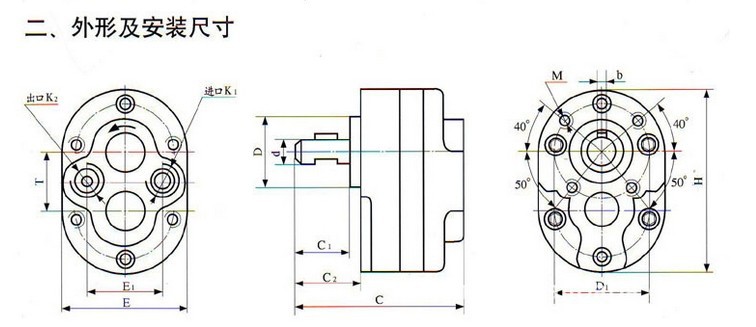
| 型号 | C | E | H | C1 | C2 | D | D1 | d | E1 | T | b | M | K1 | K2 |
| CB-B2.5 | 79 | 66 | 96 | 25 | 30 | a35 | a50 | a12 | 35 | 30 | 4 | M6 | Z3/8" | Z3/8" |
| CB-B4 | 82 | |||||||||||||
| CB-B6 | 86 | |||||||||||||
| CB-B10 | 94 | |||||||||||||
| CB-B16 | 107 | 90 | 132 | 30 | 35 | a50 | a65 | a6 | 50 | 42 | 5 | M8 | Z3/4" | Z3/4" |
| CB-B20 | 111 | |||||||||||||
| CB-B25 | 115 | |||||||||||||
| CB-B32 | 121 | |||||||||||||
| CB-B40 | 132 | 102 | 154 | 35 | 40 | a55 | a80 | a22 | 55 | 52 | 6 | M8 | Z1" | Z3/4" |
| CB-B50 | 138 | |||||||||||||
| CB-B63 | 144 | |||||||||||||
| CB-B80 | 158 | 121 | 186 | 45 | 50 | a70 | a95 | a30 | 65 | 65 | 8 | M8 | Z1/4" | Z1" |
| CB-B100 | 165 | |||||||||||||
| CB-B125 | 174 |
成都市振亚液压设备有限公司
联系人:白天真
电 话:13608085124
Q Q:616816791



