| 品牌 | 上海涌诺 | 型号 | QBY | 材质 | 工程塑料 |
| 用途 | 化工泵,计量泵,空调泵,流程泵,排污泵,屏蔽泵,试压泵,污水泵,消防泵,杂质泵,增压泵 | 性能 | 变频,不阻塞,防爆,耐腐蚀,耐磨,卫生,无泄露,自动 | 驱动方式 | 气动 |
| 空气消耗量 | 0.4-0.6 | 最大供气压力 | 0.6 | 允许颗粒值 | 0.5(mm) |
| 吸程 | 20(m) | 出口压力 | 10(Mpa) | 扬程 | 50(m) |
| 流量 | 10(m3/h) | 工作压力 | 5 | 功率 | 3 |
| 产地 | 上海浦东 |

有好的产品、才有好的市场
精心、细心“涌诺”品质让您放心
涌诺品质、承诺一言九鼎








| 名称 | 型号 | 流量 (m3/h) | 扬程 (m) | 吸程 (m) | 最大允许通过颗粒φ(mm) | 最大供气压力(kgf/cm2) | 空气消耗量(m³/min) | 重量(KG) | 材质 |
| 气 动 隔 膜 泵 | QBY3-10 | 0.8 | 0-50 | 5 | 1 | 2-7 | 0.3 | 6 | 氟塑料PVDF |
| QBY3-15 | 1 | 0-50 | 5 | 1 | 2-7 | 0.3 | 6 | ||
| QBY3-25 | 2.4 | 0-50 | 7 | 2.5 | 2-7 | 0.6 | 18 | ||
| QBY3-40 | 8 | 0-50 | 7 | 4.5 | 2-7 | 0.6 | 20 | ||
| QBY3-50 | 12 | 0-50 | 7 | 8 | 2-7 | 0.9 | 46 |
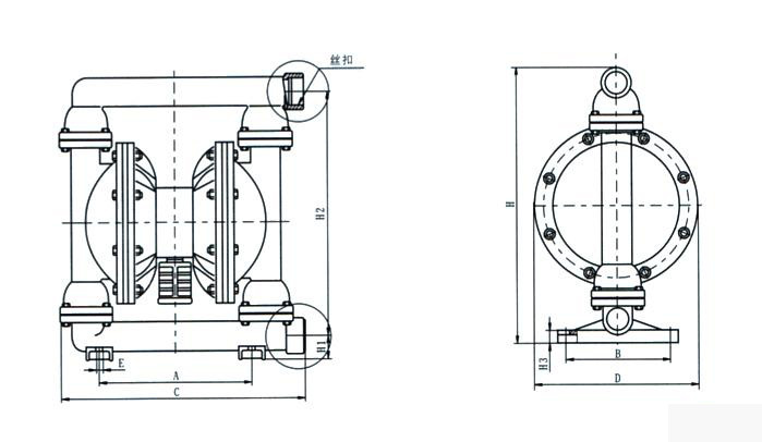
QBY系列气动隔膜泵(安装尺寸)

| 型号 | A | B | C | D | E | H1 | H2 | H3 | G | 丝扣 | 备注 |
| QBY-10 | 120 | 58 | 210 | 140 | 10 | 40 | 255 | 12 | 270 | 3/8” | 工程塑料、氟塑料 |
| QBY-15 | 120 | 58 | 210 | 140 | 10 | 40 | 255 | 12 | 270 | 1/2” | |
| QBY-10 | 120 | 0 | 210 | 140 | 12 | 30 | 220 | 10 | 240 | 3/8” | 铸铁、不锈钢、铝合金 |
| QBY-15 | 120 | 0 | 210 | 140 | 12 | 30 | 220 | 10 | 240 | 1/2” |

| 型号 | A | B | C | D | E | H1 | H | 丝扣 | 备注 |
| QBY-10 | 160 | 0 | 200 | 160 | 10 | 40 | 260 | 3/8” | 铸铁、不锈钢、铝合金 |
| QBY-15 | 160 | 0 | 200 | 160 | 10 | 40 | 260 | 1/2” | |
| QBY-20 | 180 | 155 | 300 | 200 | 10 | 40 | 400 | 3/4” | |
| QBY-25 | 210 | 160 | 320 | 230 | 12 | 50 | 470 | 1” | |
| QBY-40 | 210 | 160 | 320 | 230 | 12 | 50 | 470 | 11/2” |

| 型号 | A | B | D5 | D6 | C | H | H1 | DN1 | DN2 | n-d1 | n-d2 | D3 | D4 | E | n-d4 | 进气口 外径 | 备注 |
| QBY-25 | 215 | 150 | 100 | 100 | 380 | 530 | 70 | 25 | 25 | 4-Φ11 | 4-Φ11 | 75 | 75 | 55 | 4-Φ10 | 10 | 工氟 程塑 塑料料, |
| QBY-40 | 215 | 150 | 130 | 120 | 380 | 530 | 70 | 40 | 32 | 4-Φ13.5 | 4-Φ13.5 | 100 | 90 | 55 | 4-Φ10 | 10 | |
| QBY-25A | 220 | 160 | 110 | 110 | 370 | 575 | 68 | 25 | 25 | 4-Φ11 | 4-Φ11 | 75 | 75 | 80 | 4-Φ12 | 10 | 铸 铁 、 不 锈 钢 、 铝 合 金 |
| QBY-40A | 220 | 160 | 130 | 120 | 370 | 575 | 68 | 40 | 32 | 4-Φ13.5 | 4-Φ13.5 | 100 | 90 | 80 | 4-Φ12 | 10 | |
| QBY-50 | 340 | 240 | 140 | 140 | 550 | 800 | 65 | 50 | 50 | 4-Φ13.5 | 4-Φ13.5 | 110 | 110 | 145 | 4-Φ17.5 | 12 | |
| QBY-65 | 340 | 240 | 160 | 160 | 550 | 800 | 70 | 65 | 65 | 4-Φ13.5 | 4-Φ13.5 | 130 | 130 | 145 | 4-Φ17.5 | 12 | |
| QBY-80 | 340 | 240 | 190 | 190 | 580 | 950 | 100 | 80 | 80 | 4-Φ17.5 | 4-Φ17.5 | 150 | 150 | 130 | 4-Φ17.5 | 14 | |
| QBY-100 | 340 | 240 | 210 | 190 | 580 | 950 | 100 | 100 | 80 | 4-Φ17.5 | 4-Φ17.5 | 170 | 170 | 130 | 4-Φ17.5 | 14 |
型号 | 流量 | 扬程 | 出口压力 | 吸程 | 最大允许能 | 最大供气压力 | 最大供气消耗量 | 材料 | |||
铝合金 | 不锈钢 | 铸造铁 | 增强聚丙烯 | ||||||||
QBY-10 | 0~0.8 | 0~50 | 5 | 5 | 1 | 7 | 0.3 | ★ | ★ | ★ | ★ |
QBY-15 | 0~1 | 0~50 | 5 | 5 | 1 | 7 | 0.3 | ★ | ★ | ★ | ★ |
QBY-25 | 0~2.4 | 0~50 | 5 | 7 | 2.5 | 7 | 0.6 | ★ | ★ | ★ | ★ |
QBY-40 | 0~8 | 0~50 | 5 | 7 | 4.5 | 7 | 0.6 | ★ | ★ | ★ | ★ |
QBY-50 | 0~12 | 0~50 | 5 | 7 | 8 | 7 | 0.9 | ★ | ★ | ★ | / |
QBY-65 | 0~16 | 0~50 | 5 | 7 | 8 | 7 | 0.9 | ★ | ★ | ★ | / |
QBY-80 | 0~24 | 0~50 | 5 | 7 | 10 | 7 | 1.5 | ★ | ★ | ★ | / |
QBY-100 | 0~30 | 0~50 | 5 | 7 | 10 | 7 | 1.5 | ★ | ★ | ||
由于格式的限制很多尺寸无法列出、如需更多详细资料请联系我公司



