| 品牌 | 焦作研发泵业 | 型号 | VS系列液下渣浆泵 | 用途 | 杂质泵 |
| 驱动方式 | 电动 | 泵轴位置 | 卧式 | 叶轮吸入方式 | 单吸式 |
| 叶轮结构 | 敞开式叶轮 | 性能 | 耐磨 | 叶轮数目 | 多级 |
| 流量 | 7.2~734.4(m3/h) | 扬程 | 3.9~37.2(m) | 转速 | 1000-2200(rpm) |
| 轴功率 | 75(kW) | 吸入口径 | 100(mm) | 排出口径 | 100(mm) |
产品概述
该系列泵设计为立式离心渣浆泵,可浸入液下工作。不需要任何轴封和轴封水,在吸入量不足的工况下也能正常工作。该系列泵为单泵壳结构,具有重量轻、体积小、安装及维修方便等特点。
(R) VS型泵泵体材质为耐磨金属。(R) VS型泵浸入液下的零部件均衬有橡胶,适用于输送腐蚀性渣浆。
根据渣浆池液面的高低,可选择不同长度的泵传动轴和吸入管;并采用多种速度的多种变型方式,使得泵始终处在最佳工况下运行,使用寿命长,运行效益高,能满足多类恶劣的输送条件。
用途与特点:
(R) VS型泵为立式离心渣浆泵,浸入液下,主要适用于输送腐蚀性、粗颗粒、高浓度渣浆。广泛应用于冶金、矿山、煤炭、电力、建材、环保等部门。
型号意义

技术参数
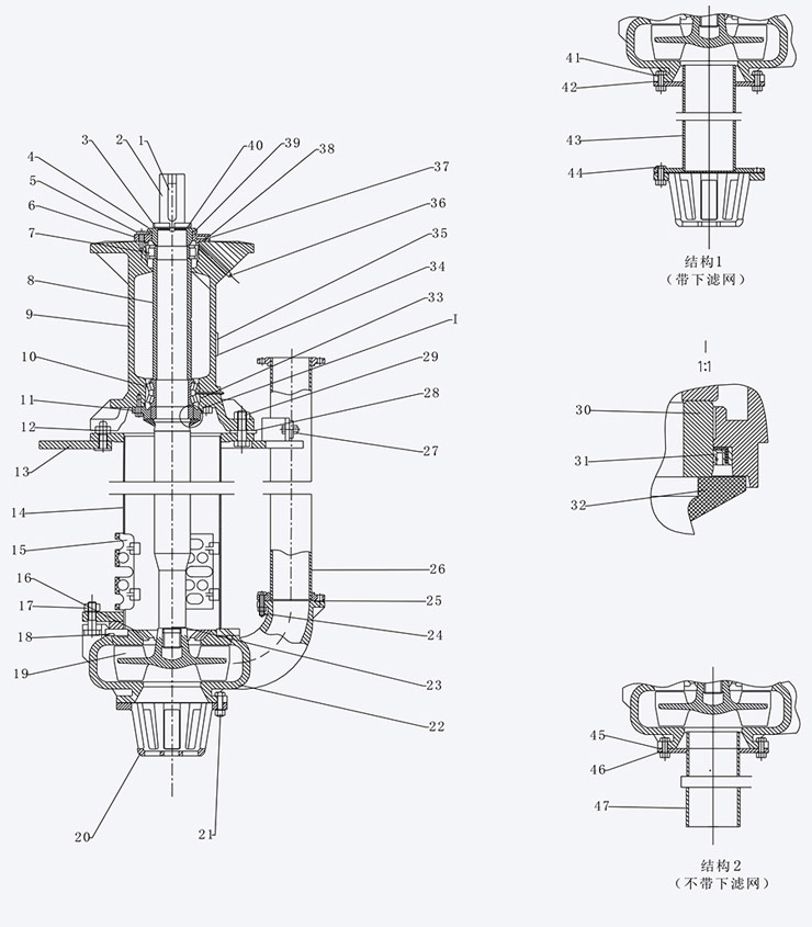
结构图

图型谱图



