| 品牌 | 奥邦 | 型号 | QBY-40 | 材质 | 铸铁 |
| 用途 | 化工泵,计量泵,空调泵,流程泵,排污泵,试压泵,污水泵,杂质泵,增压泵 | 性能 | 不阻塞,防爆,耐腐蚀,耐磨,无泄露 | 驱动方式 | 气动 |
| 空气消耗量 | 0.6 | 最大供气压力 | 7 | 允许颗粒值 | 4.5(mm) |
| 吸程 | 7(m) | 出口压力 | 6(Mpa) | 扬程 | 60(m) |
| 流量 | 8(m3/h) | 产地 | 浙江温州 | 规格 | QBY-40 |

QBY气动隔膜泵--产品简介:
QBY气动隔膜泵是一种新型输送机械,是目前国内最新颖的一种泵类。采用压缩空气为动力源,对于各种腐蚀性液体,带颗粒的液体,高粘度、易挥发、易燃、剧毒的液体,均能予以抽光吸尽。
http://www.fengbao-pump.com/ 气动隔膜泵其有四种材质:塑料、铝合金、铸铁、不锈钢。泵的隔膜可根据不同液体介质分别采用丁晴橡胶、氯丁橡胶、氟橡胶、聚四氟乙烯、聚四六乙烯。以满足不同用户的需要。安置在各种特殊场合,用来抽送种常规泵不能抽吸的介质,均取得了满意的效果。
(1)泵不会过热:压缩空气作动力,在排气时是一个膨胀吸热的过程,气动泵工作时温度是降低的,无有害气体排出。
(2)不会产生电火花:气动隔膜泵不用电力作动力,接地后又防止了静电火花
(3)可以通过含颗粒液体:因为容积式工作且进口为球阀,所以不容易被堵。
(4)对物料的剪切力极低:工作时是怎么吸进怎么吐出,所以对物料的搅动最小,适用于不稳定物质的输送
(5)流量可调节,可以在物料出口处加装节流阀来调节流量。
(6)具有自吸的功能。
(7)可以空运行,而不会有危险。
(8)可以潜水工作。
(9)可以输送的流体极为广泛,从低粘度的到高粘度的, 从腐蚀性得到粘稠的。
(10)没有复杂的控制系统,没有电缆、保险丝等。
(11)体积小、重量轻,便于移动。
(12)无需润滑所以维修简便,不会由于滴漏污染工作环境。
(13)泵始终能保持高效,不会因为磨损而降低。
(14)百分之百的能量利用,当关闭出口,泵自动停机,设备移动、磨损、过载、发热
(15)没有动密封,维修简便避免了泄漏。工作时无死点。

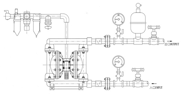
隔膜泵是靠压缩空气驱动。定向空气分配阀和导向阀,称为:“气室”,都设置在泵的中心部位。介质流动通过两个汇流管和外隔膜室,称为“介质室”。通常止回阀(球型或片型)都设置在每个外隔膜室的顶部或底部或共用一汇流管。这两个外隔膜室靠吸口和出口接头连接起来,泵是自吸的。
QBY气动隔膜泵有两个对称的工作腔,各装有一块弹性隔膜,连杆轴将两块隔膜联接,当压缩空气由进气接头经配气阀进入A工作腔推动隔膜,该腔进口球阀关闭,出口球阀打开,液体排出,于此同时,B腔隔膜由连杆轴驱动背面气体排入大气,出口球阀关闭,进口球阀打开,液体被吸入(见图A)。当行程到达终点,配气阀将气体导入B工作时,情况同前述相反,B腔排出液体,A腔吸入液体。如此反复,泵不断吸入排出液体。


1.泵吸花生酱、泡菜、土豆泥、小红肠、果酱、苹果酱、巧克力等。
2.泵吸油漆、树胶、颜料。
3.粘合剂和胶水、全部种类可用泵吸取。
4.各种瓦、瓷、砖器及陶器釉浆。
5.油井钻好后,用泵吸沉积物及灌浆。
6.泵吸各种乳剂和填料。
7.泵吸各种污水。
8.用泵为油轮,驳船清仓吸取仓内污水。
9.啤酒花及发酵粉稀浆、糖浆、糖蜜。
10.泵吸矿井、坑道、隧道、选矿、矿渣中的积水。泵吸水泥灌浆及灰浆。
11.各种橡胶浆。
12.各种磨料、腐蚀剂、石油及泥浆、清洗油垢及一般容器。
13.各种剧毒、易燃、易挥发液体。
14.各种强酸、强碱、强腐蚀液体。
15.各种高温液体最高可耐150℃。
16.作为各种固液体分离设备的前级送压装置
由于气动隔膜泵具有以上特点,所以在世界上隔膜泵自从诞生以来正逐步侵入其他泵的市场,并占有其中的一部分。如:喷漆、陶瓷业中隔膜泵已占有绝对的主导地位,而在其他的一些行业中,像环保、废水处理、建筑、排污、精细化工中正在扩大它的市场份额,并具有其他泵不可替代的地位。气动隔膜泵的优势在于:
1、由于用空气作动力,所以流量随背压(出口阻力)的变化而自动调整,适合用于中高粘度的流体。而离心泵的工作点是以水为基准设定好的,如果用于粘度稍高的流体,则需要配套减速机或变频调速器,成本就大大的提高了,对于齿轮泵也是同样如此。
2、在易燃易爆的环境中用气动泵可靠且成本低,如燃的输送,因为:第一、接地后不可能产生火花;第二、工作中无热量产生,机器不会过热;第三、流体不会过热因为隔膜泵对流体的搅动最小。
3、在工地恶劣的地方,如建筑工地、 工矿的废水排放、由于污水中的杂质多且成分复杂,管路易于堵塞,这样对电泵就形成负荷过高的情况,电机发热易损。气动隔膜泵可通过颗粒且流量可调,管道堵塞时自动停止至通畅
4、另外隔膜泵体积小易于移动,不需要地基,占地面极小,安装简便经济。可作为移动式物料输送泵。
5、在有危害性、腐蚀性的物料处理中,隔膜泵可将物料与外界完全隔开。
6、或是一些试验中保证没有杂质污染原料。
7、可用于输送化学性质比较不稳定的流体,如:感光材料、絮凝液等。这是因为隔膜泵的剪切力低,对材料的物理影响小。
| 型号 | 流量 (m3/h) | 扬程 (m) | 出口压力 (kgf/cm2) | 吸程 (m) | 最大允 许能 过颗粒 直径 (mm) | 最大供气 压力 (kbf/cm2) | 最大供气 消耗量 (m3/min) | 材料 | |||
| 铝合金 | 不锈钢 | 铸造铁 | 增强聚丙烯 | ||||||||
| QBY-10 | 0~0.8 | 0~60 | 6 | 5 | 1 | 7 | 0.3 | ★ | ★ | ★ | ★ |
| QBY-15 | 0~1 | 0~60 | 6 | 5 | 1 | 7 | 0.3 | ★ | ★ | ★ | ★ |
| QBY-25 | 0~2.4 | 0~60 | 6 | 7 | 2.5 | 7 | 0.6 | ★ | ★ | ★ | ★ |
| QBY-40 | 0~8 | 0~60 | 6 | 7 | 4.5 | 7 | 0.6 | ★ | ★ | ★ | ★ |
| QBY-50 | 0~12 | 0~60 | 6 | 7 | 8 | 7 | 0.9 | ★ | ★ | ★ | / |
| QBY-65 | 0~16 | 0~60 | 6 | 7 | 8 | 7 | 0.9 | ★ | ★ | ★ | / |
| QBY-80 | 0~24 | 0~60 | 6 | 7 | 10 | 7 | 1.5 | ★ | ★ | ★ | / |
| QBY-100 | 0~30 | 0~60 | 6 | 7 | 10 | 7 | 1.5 | ★ | ★ | ★ | / |
隔膜品种 介质种类 | 丁睛橡胶 | 氯丁橡胶 | 氟橡胶 | 聚四氟乙烯 | 食品橡胶 |
| 发烟硝酸 | × | × | △ | △ | |
| 浓硝酸 | × | × | △ | △ | |
| 浓硫酸 | × | × | ○ | △ | |
| 浓盐酸 | × | △ | △ | △ | |
| 浓磷酸 | × | △ | △ | △ | |
| 浓醋酸 | × | × | × | △ | |
| 浓氢氧化钠 | ○ | ○ | △ | △ | |
| 无水氨 | △ | △ | △ | △ | |
| 稀硝酸 | × | × | ○ | △ | |
| 稀硫酸 | △ | △ | △ | △ | |
| 稀盐酸 | × | ○ | △ | △ | |
| 稀磷酸 | × | × | △ | △ | |
| 稀氢氧化钠 | ○ | ○ | △ | △ | |
| 氨水 | △ | △ | × | ||
| 苯 | × | × | ○ | ○ | |
| 汽油 | ○ | ○ | ○ | ○ | |
| 石油 | △ | × | ○ | ○ | |
| 四氯化碳 | ○ | ○ | ○ | ||
| 二硫化碳 | ○ | × | ○ | ||
| 乙醇 | ○ | ○ | ○ | ○ | |
| 丙铜 | × | △ | × | ○ | |
| 甲酚 | × | △ | △ | ○ | |
| 乙醛 | × | × | △ | ○ | |
| 乙苯 | × | × | △ | ○ | |
| 丙烯晴 | △ | △ | × | ○ | |
| 丁醇 | ○ | ○ | ○ | ○ | |
| 丁二烯 | ○ | × | △ | ○ | |
| 苯乙烯 | × | × | △ | ○ | |
| 醋烯乙酯 | × | × | × | ○ | |
| 醚 | × | × | × |
1、油罐清底,尽管有垫水法抽油,也不能保证将油抽净,表面总要剩下至少3-5mm厚的油层。以5000m3油罐为例,每次大约损耗1-1.5t油。对于有低位脱水槽的油罐,虽可将剩下的油和水排放到含油污水处理场回收,但是挥发的油品在输送过程中大都挥发殆尽,且污染环境。
2、临时倒罐、装卸车和油品采样,炼油生产调度过程中,油品经常要临时倒罐、装车和对油罐中油品采样检验。或者为了不至于污染正常的管线时,用隔膜泵接临时管线可以迅速方便地完成此项任务。
3、油轮仓底油回收一条3000t的油轮用固定螺杆泵卸油,仓库隔板之间至少要剩余50t油,若用排量较大的隔膜泵,可以收到很好的效果。
4、瓦斯、硫化氢残液的输送炼油厂火炬底部的瓦斯残液和含硫水,需要集中排放和处理,否则会形成酸性腐蚀设备。
5、陶瓷行业:用该泵抽吸釉浆,并可用于向压滤机送压。
6、下水井、暗沟排除渍水、污油在下水井管道,阀门及暗沟检修时,需要排除渍水和污油。用潜水泵虽可抽尽溃水,但往往这些地方都远离电源,很不方便。使用隔膜泵则可采用压縮气瓶作动力,回收污油,排泄溃水。
7、污水处理场和污泥池的清扫污水处理场的污泥池,常常聚积大量的油泥和淤沙,需要清扫,采用隔膜泵抽吸灵活、方便省工、省力、省时。
8、液化气泵房和化验室排渍水,由于这些地方地势较低,又是一级防火区,采用隔膜泵排渍水比较安全,比用水抽子、汽抽子效率高出好多倍。
9.此外,此泵应用于环烷酸精制转料,装车亚硫酸纳液体输送,苯类原料装卸车等方面都有它自己的优势。


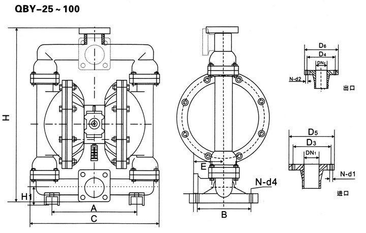
QBY气动隔膜泵安装尺寸图:


(1)气动隔膜泵开停车负荷操作:气动隔膜泵是由变频电机驱动,若开停车负荷过大或过小、为尽量避免以上情况的出现,硬性规定开停车负荷都控制在30 %左右,并在仪表中设置使增减负荷都必须在一段时间内才能完成,有效的从工艺上做到了对变频器的维护。
(2)气动隔膜泵仪表空气及润滑油压力系统操作 气动隔膜泵的仪表空气和润滑油压力都与主电机设有联锁,推进液的注油、排油阀为气闭阀,要始终维持一定的空气压力,两阀的最小动作压力不低于0.4MPa ,所以仪表空气压力一般维持在015MPa以上,即使停泵后也不停仪表空气,以免推进液腔内的液体不够或过量,供给阀门的空气是经过过滤、油雾化的。气动隔膜泵在运行中,润滑油压力应不低于压力联锁值(0115MPa) ,且润滑油出口过滤器压差不能太大,润滑油流量窥镜内的钢球应处于上限位置,调节此流量时调节幅度不能太大,以免瞬间流量过大使压力下降太快引起联锁跳车。 通过以上工艺改进及对操作要点的熟练掌握,使气动隔膜泵运行时始终有一个稳定的工艺环境,运行一年多来,仅有一次因电气原因跳车,做到了长周期、安全高效运行。
声明:由于产品一直在更新,本文中所有文字、数据、图片均只适用于参考,QBY系列不锈钢气动隔膜泵性能参数、QBY系列不锈钢气动隔膜泵使用场合、QBY系列不锈钢气动隔膜泵材质要求、QBY系列不锈钢气动隔膜泵结构、QBY系列不锈钢气动隔膜泵安装尺寸以及QBY系列不锈钢气动隔膜泵的价格等详情,我们一定会尽心尽力为您提供优质的服务。



