| 品牌 | 金源 | 型号 | CZ型 | 材质 | 不锈钢 |
| 驱动方式 | 电动 | 原理 | 离心泵 | 性能 | 耐腐蚀 |
| 泵轴位置 | 卧式 | 叶轮吸入方式 | 单吸式 | 适用范围 | 重油、石油等 |
| 产品别名 | 标准化工泵 | 流量 | 6.3-400(m3/h) | 扬程 | 5-125(m) |


温馨提示
产品价格、属性、图片仅供参考,详情务必旺旺或来电咨询。
不经协商下单者概不发货,如果给您带来不便还请谅解。谢谢!
**************************************************************************


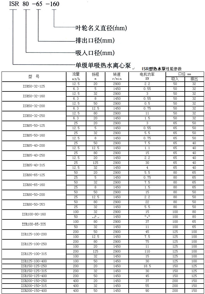
ISR型热水泵系单吸单级悬臂式离心泵,是根据国际标准ISO2858所规定的性能和尺寸设计的一种高效节能的更新换代产品,适用于热水锅炉给水,热水循环系统,亦可用于工业和城市给水,排水及农业排灌,供输送温度不超过150摄氏度的清水或物理及化学性质类似清水的其它液体之用。 ISR型热水泵系列性能范围(按设计点计)
|




