| 品牌:NACHI/不二越 | 型号:IPH-3B-13-20 | 材质:铸铁 |
| 驱动方式:电动 | 流量:0 | 规格:IPH-3B-13-20 |
IPH齿轮泵单泵系列:
IPH-(2A,2B)-3.5/5/6.5/8 IPH-(3A,3B)-10/13/16
IPH-(4A,4B)-20/25/32 IPH-(5A,5B)-40/50/64/




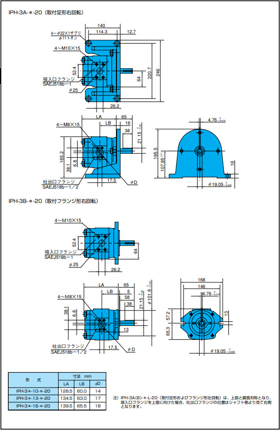
安装尺寸
一、安裝注意事项
1、安装位置任选。在试运时,泵体必须灌满油压液并在工作时保持充满。为了减少噪声,所有的连接管道(进油管,压力油管和壳体泄油管)需用柔性元件和油箱隔离。
2、油泵支架座要牢固,鋼性好,並能充分吸收振動。
3、泵和電機軸同心度控制在0.100mm以內,盡可能采用柔性聯軸節,以避免泵軸承受彎矩及軸向載荷。
4、油泵的吸入管道通徑應不小於泵入口通徑,吸油濾油器通流量應不低於油泵流量的兩倍。滤油越精细工作液体的清洁度越好,则油泵的寿命越长。
5、泵安裝高於油箱時,吸入口距油液液面高度應小於1米,(使用磷酸脂或含水液壓液時應小於0.8米)
6、泵安裝時,如高於油箱液面,應將泵的吸入中向上。
7、注意進油口處連法蘭、接頭以及整個吸油管道必須嚴格密封,防止漏氣,否則會引起噪聲,系統振動,並使油箱內產生大量泡沫,降低泵的奉命。
8、油箱應設有隔板,用來分隔回油帶來的氣泡與髒物。回油管應伸到油面以下(不得直接和泵的入口連接),防止回油飛濺引起氣泡。
二、泵的啟動
1、油泵啟動前,應檢查進口及轉向,切勿搞錯方向。
2、初次啟動应向泵裡注滿油,並用手轉動聯軸節,旋轉力量應感覺均勻,靈活。
3、在初次工作或長期停機後再啟動時,會產生吸空現象。故應在輸出口端安裝排氣閥,或稍微松動出口法蘭,以排除空氣,並盡可能在空載情況下進行試運轉。
三、泵的維護
1、用戶購回油泵後,如不及時使用,應將內部注入防銹油,並將外露表面塗防銹油脂,然後蓋好油口防塵蓋。
2、安全閥調節壓力不應過高,一般為泵額定壓力的1.25倍。
3、保持油溫在10-60℃范圍內,尤其避免高溫連續運轉,否則油泵奉命將大大縮短。必要時設置加熱器和冷卻裝置。
4、保持正常油面高。應在油箱中設置油面計,以便經常觀察和補油。
5、要定期檢查油液性能,達不到規定要求時要及時予以更換並清洗油箱。
6、濾油器應經常清洗,以保證油液吸入通暢。
7、油泵工作一段時間後,(由於振動)安裝螺釘或進出油口法蘭螺釘可能松動,要注意檢查,並擰緊防松。
8、系統液壓沖擊力最大值不得超過14Mpa.
9、为了正确的液压油,必须知道油箱中油液工作温度(开式回路)和环境的温度的关系。泄露油(壳体泄油)温度受泵的压力和转速的影响并总是高于油箱油温。然而系统任何地方的最高温度不得超过90度。
联系方式:
电话:0755-29939010
手机:15013849661
QQ: 2302659283



